Полишов-240 L
Сборные панели из полимерного материала для соединительных швов в полах
ОПИСАНИЕ
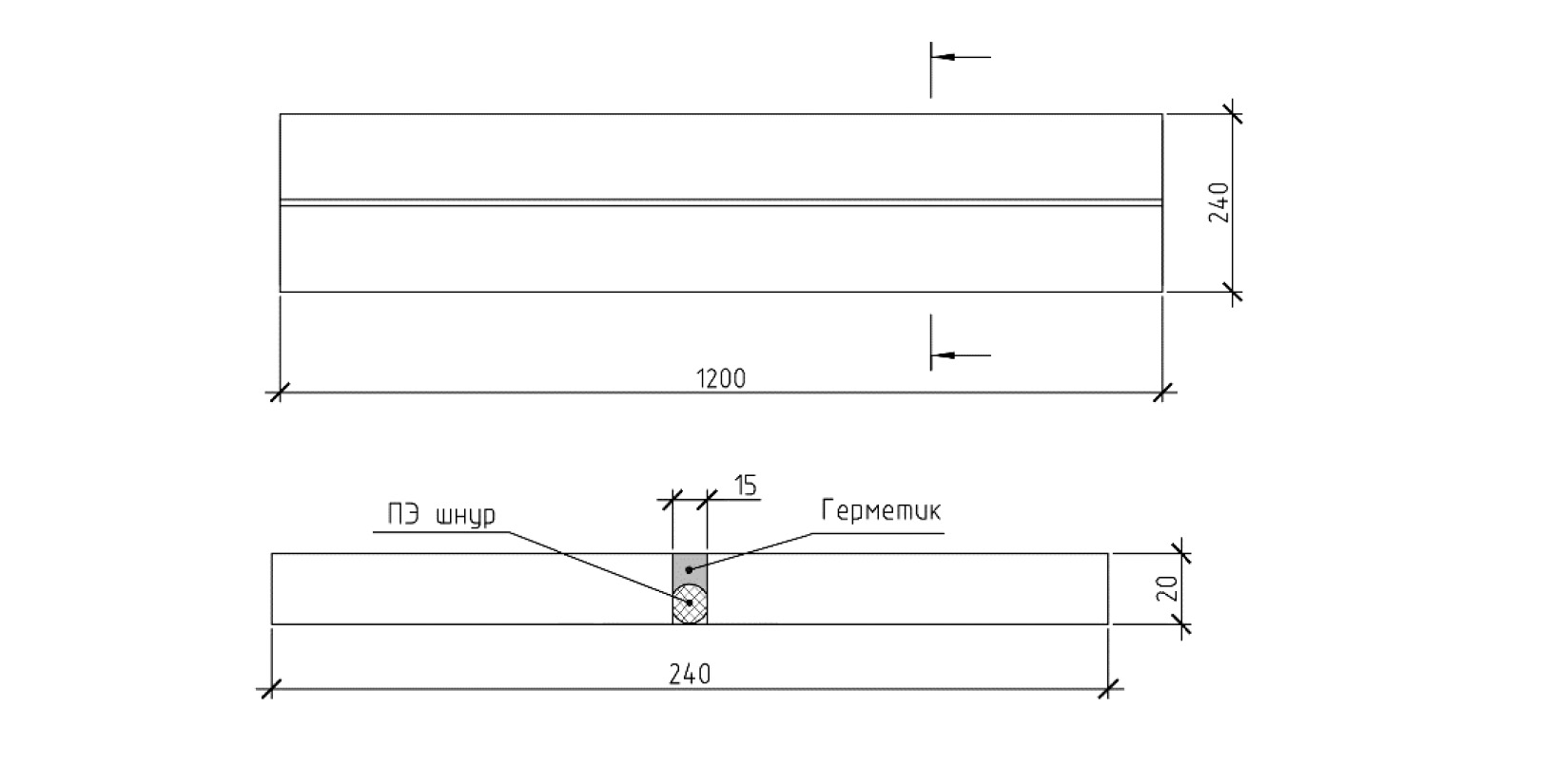
Полишов-240 L - панель из полимерного материала, усиленного стекловолокном с очень высокими механическими свойствами для монтажа линейных швов. Монтаж на клей позволяет обеспечить ровную поверхность и исключить ударные нагрузки при переезде шва.

ПРИМЕНЕНИЕ
  • Для швов в полах с весьма значительными механическими нагрузками (СП 29.13330.2011) по износу при новом строительстве и реконструкции соединений бетонных стяжек и полов, например, для складов и актовых залов, мастерских технического обслуживания, больниц, школ и складов высокостеллажного хранения.
  • Особенно подходят для помещений пищевой и фармацевтической промышленности, мастерских и производственных помещений и т.д.

ХАРАКТЕРИСТИКИ И ПРЕИМУЩЕСТВА
  • Водонепроницаемость
  • Нет вибраций от движения
  • Короткое время простоя из-за монтажа
  • Высокая химическая и механическая стойкость
  • Нет неровностей и стыков
  • Простота установки
  • Простота ремонта
  • Допускается нагрузка через 24 часа после установки
  • Допускается применение полимерных систем
  • Не корродирует

СВОЙСТВА
  • Химическая основа: Полимер.
  • Упаковка: Вес: 10,3 кг/шт.
  • Условия хранения: Только в горизонтальном положении в оригинальной упаковке в сухом месте при температуре от +5 °С до +30 °С
  • Срок годности: 3 года с даты производства при соблюдении условий хранения.
  • Цвет (стандарт): RAL 7037
  • Температура основания при укладке: От +10 °C до +30 °C. Температура основания должна быть на 3 °С выше температуры точки росы для снижения риска образования конденсата или изменения цвета поверхности пола.
  • Температура окружающей среды при укладке: От +10 °C до +30 °C
  • Температура эксплуатации: От -25 °С до +60 °С
  • Относительная влажность воздуха: ≤ 80%
  • Влажность основания: ≤4 % по весу, CM-измерение или высушивание в печи; по подъему влаги в соответствии с ASTM (полиэтиленовая пленка)
ФИЗИЧЕСКИЕ СВОЙСТВА
60 МПа (через 7 суток)
ПРОЧНОСТЬ НА СЖАТИЕ
ГОСТ Р 58277- 2018
80 (через 28 суток)
ТВЁРДОСТЬ ПО ШОРУ D
ГОСТ 24621-2015
35 (через 7 суток)
ПРОЧНОСТЬ НА РАСТЯЖЕНИЕ ПРИ ИЗГИБЕ
ГОСТ Р 58277- 2018
600% (через 28 суток)
РАСТЯЖЕНИЕ ДО РАЗРЫВА (ДЛЯ ГЕРМЕТИКА)
ГОСТ Р 59523- 2021
Весьма значительная
ТИП МЕХАНИЧЕСКОЙ НАГРУЗКИ
СП 29.13330.2011
Большая
ИНТЕНСИВНОСТЬ ВОЗДЕЙСТВИЯ ЖИДКОСТЕЙ
СП 29.13330.2011
1200х240х20
РАЗМЕРЫ
в мм
Made on
Tilda